一、VR教學目標
1、知識與技能
(1)理解歐姆定律,并能利用歐姆定律進行簡單的計算。
(2)能根據串聯電路中電壓及電流的規律,利用歐姆定律得到串聯電路中電阻的規律。
2、過程與方法
(1)根據實驗現象體會等效電阻的含義。
(2)了解等效電阻的研究方法。
3、情感態度與價值觀
通過師生的雙邊教學活動,激發學生努力學習的積極性和勇于為科學獻身的熱情。
二、教學重點與難點
1、教學重點
理解歐姆定律及其應用
2、教學難點
歐姆定律在計算中的靈活運用
三、VR教學過程
1、新課導入
【教師】歐姆定律的內容是什么?
【學生】導體中的電流跟導體兩端的電壓成正比,跟導體的電阻成反比。
【教師】歐姆定律的字母公式是什么?
【學生】I =U/R
【教師】觀看VR互動教學視頻-歐姆定律,先請同學們認真觀察實驗數據,從表格的數據中可得出什么實驗結論?


【學生】加在一段導體兩端的電壓越大,通過它的電流就會越大。
2、歐姆定律在串聯電路中的應用
【教師】復習了歐姆定律后,今天我們就要學習歐姆定律能解決什么問題。我們先來學習串聯電路。

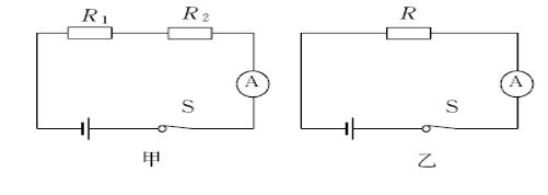
【教師】在圖甲和圖乙中,如果電源電壓相同,電流表示數相同,可以認為R是R1和R2串聯后的等效電阻,也稱總電阻。那么,總電阻與R1和R2有什么關系呢?
【學生】在圖甲中,因為R1和R2串聯,因此通過它們的電流相同,設R1兩端電壓為U1,R2兩端電壓為U2,則有U=U1+U2,即U=IR1+IR2。圖乙中有:U=IR。綜合以上推導有:R=R1+R2,因此可以得到串聯電路總電阻和分電阻的關系:R=R1+R2。
【教師】觀看VR互動教學視頻-電阻的串聯,再次驗證歐姆定律在串聯電路中的應用。


3、歐姆定律在并聯電路中的應用

【教師】并聯電路中同樣也可以得到R與R1,R2的關系,請同學們嘗試自己推導出來。
【學生】推導:在圖甲,因為R1和R2并聯,因此它們兩端的電壓相同,設R1兩端電壓為U1,R2兩端電壓為U2,則有U1=U2。電流規律:I=I1+I2,即I=U1/R1+U2/R2。圖乙中有:I=U/R。綜合以上推導有:1/R=1/R1+1/R2,因此可以得到并聯電路總電阻和分電阻的關系:1/R=1/R1+1/R2,即并聯電路總電阻的倒數等于各并聯電阻的倒數之和。
四、板書設計
第4節 歐姆定律在串、并聯電路中的應用
一、歐姆定律在串聯電路中的應用
串聯電路中:R=R1+R2,U=U1+U2
二、歐姆定律在并聯電路中的應用
并聯電路中:1/R=1/R1+1/R2,I=I1+I2